Moboarchive
Folders 
{parent folder}  

Filename Size Filename Size 
backp3x3.gif 4 K  dpsys586.gif 7 K
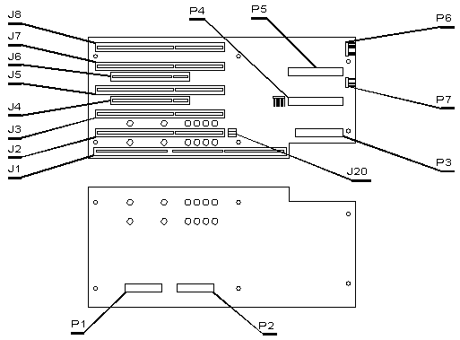
backp4x4.gif 4 K  identifying_backplane.html 15 K
Backp5x5.gif 3 K  identifying_system_board.html 7 K
dpsys486.gif 7 K