Moboarchive
Folders 
{parent folder}  

Filename Size Filename Size 
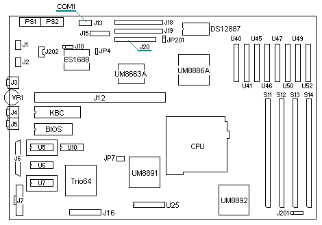
7170quickspecs.html 12 K  7170sbjumpers.html 3 K
7170sbjumpers.gif 7 K