| 
 93.377 bytes  | 
 
 Service Hints & Tips | 
 Document ID: GSMH-3DBGZ2  | 
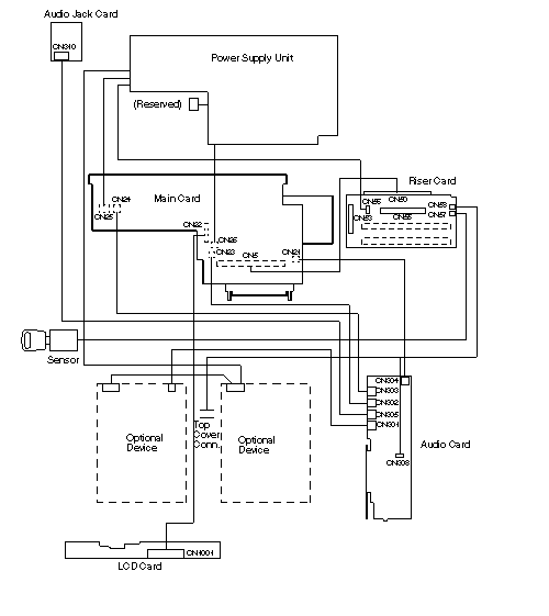
TP Dock II - Inside Views
Applicable to: World-Wide
Locations:
Main Card:
| 
 1  | 
 External Diskette Drive Connector (26-pin)  | 
| 
 2  | 
 External Display Connector (15-pin)  | 
| 
 3  | 
 External SCSI Connector  | 
| 
 4  | 
 Keyboard/Numeric Keyboard Connector  | 
| 
 5  | 
 Mouse/Pointing Device Connector (6-pin)  | 
| 
 6  | 
 Serial Connector (9-pin)  | 
| 
 7  | 
 Parallel Connector (25-pin)  | 
| 
 8  | 
 Power Supply Connector (CN25)  | 
| 
 9  | 
 Power Supply Connector (CN26)  | 
Audio Card:
| 
 1  | 
 CD-ROM Audio Connector (CN301)  | 
| 
 2  | 
 Audio Jack Connector (CN305)  | 
| 
 3  | 
 Main Card Connector (CN302)  | 
| 
 4  | 
 Connector (Reserved) (CN303)  | 
| 
 5  | 
 Main Card Connector (CN304)  | 
| 
 6  | 
 Top Cover Connector (CN308)  | 
Riser Card:
| 
 1  | 
 Sensor Connector (CN57)  | 
| 
 2  | 
 Top Cover Connector (CN58  | 
| 
 3  | 
 Main Card Connector (CN50)  | 
| 
 4  | 
 Internal SCSI Connector (CN55)  | 
| 
 5  | 
 Power Supply Connector (CN56)  | 
| 
 6  | 
 Internal IDE Connector (CN53)  | 
| 
 7  | 
 AT Slot 1  | 
| 
 8  | 
 AT Slot 2  | 
LCD Circuit Board Group:
| 
 1  | 
 Main Card Connector (CN1001)  | 
Power Supply:
| 
 1  | 
 Power Supply Connector (CN25)  | 
| 
 2  | 
 Power Supply Connector (CN56)  | 
| 
 3  | 
 SCSI Power Supply Connector (4-pin)  | 
| 
 4  | 
 Power Supply Connector (reserved)  | 
| 
 5  | 
 Power Supply Connector (CN26)  | 
Cabling:

| 
 Search Keywords  | 
 | |
| 
 Hint Category  | 
 Hardware Maintenance Information  | |
| 
 Date Created  | 
 14-01-97  | |
| 
 Last Updated  | 
 27-01-99  | |
| 
 Revision Date  | 
 27-01-2000  | |
| 
 Brand  | 
 IBM ThinkPad  | |
| 
 Product Family  | 
 ThinkPad Docking Stations  | |
| 
 Machine Type  | 
 3546  | |
| 
 Model  | 
 001  | |
| 
 TypeModel  | 
 | |
| 
 Retain Tip (if applicable)  | 
 N/A  | |
| 
 Reverse Doclinks  |