|
50.044 bytes |
Service Hints & Tips |
Document ID: GKEY-3H5GQ7 |
PCServer704 - System Board/Connectors
Applicable to: World-Wide
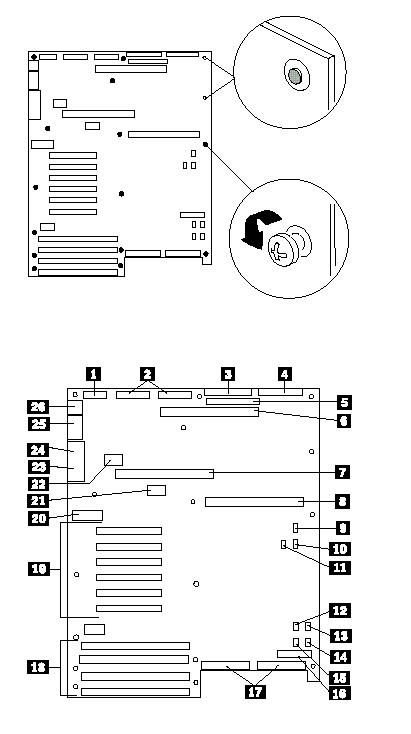
System Board
|
Connectors |
|
|
1. |
Cable: Power control and status (PS3) |
|
2. |
Cable:+ 5V,+ 12V, and+ 3.3V power connector (PS1 and PS2) (identical) |
|
3. |
Cable: Diskette drive connector |
|
4. |
Cable: Front panel connector |
|
5. |
Not used |
|
6. |
Memory board connector |
|
7. |
Secondary processor board connector |
|
8. |
Primary processor board connector |
|
9. |
Fan 1 connector (not used) |
|
10. |
Fan 2 connector (inner chassis fan) |
|
11. |
Hard disk drive LED 1 connector |
|
12. |
I C connector (not used) |
|
13. |
Fan 3 connector (upper outer chassis fan) |
|
14. |
Fan 4 connector (lower outer chassis fan) |
|
15. |
Hard drive LED 2 connector (not used) |
|
16. |
Connector for optional Server Management Module (not used) |
|
17. |
SCSI bus connectors: Channel A to the right, Channel B to the left |
|
18. |
EISA slots 1-4 for add-in boards (slot 1 toward top, 4 toward bottom) |
|
19. |
PCI slots 1-6 for add-in boards (slot 1 toward top, 6 toward bottom: Bus 0 = slots 1 - 3; Bus 1= slots 4 - 6) |
|
20. |
Configuration switches and jumpers |
|
21. |
Real-time clock |
|
22. |
Video DRAM expansion socket |
|
23. |
VGA monitor connector |
|
24. |
Parallel port connector |
|
25. |
Serial port connectors A (COM1) and B (COM2) |
|
26. |
PS/2-compatible keyboard and mouse connectors |
|
Switch |
Position |
Function |
|
S6A1-1 |
On |
Clear CMOS |
|
S6A1-2 |
Off |
Normal operation |
|
On |
Clear password | |
|
Off |
Normal operation | |
|
S6A1-3 |
Off |
Reserved |
|
Factory |
default setting. |
|
Notes | |
|
1. This is the factory default. | |
|
2. Do not change the settings for switches |
Resetting NVRAM and the RTC (Switch S6A1-1)
Setting the CMOS switch to On clears the current values of NVRAM and the RTC when the server is reset. This returns NVRAM and the RTC to the factory default.
When the CMOS switch is set to Off, the default, the current settings are preserved during system reset.
To reset the server's NVRAM and RTC settings to the factory default values,
do the following steps:
1. Power-off the server and monitor.
2. Locate the configuration switches on the system board.
3. If necessary to access the configuration switches, remove the processor board.
4. Slide switch S6A1-1 to On.
5. If removed, replace the processor board.
6. Power-on the monitor and server; then, wait for POST to complete. This automatically reprograms the NVRAM and RTC to their factory settings.
7. Power-off the server and the monitor.
8. If necessary to access the configuration switches, remove the processor board.
9. Slide switch S6A1-1 to Off.
10. If removed, replace the bottom processor board.
11. Run The System Configuration Utility to restore the configuration settings.
|
Search Keywords |
| |
|
Hint Category |
Hardware Maintenance Information, Processors | |
|
Date Created |
16-05-97 | |
|
Last Updated |
22-01-99 | |
|
Revision Date |
27-05-99 | |
|
Brand |
IBM PC Server | |
|
Product Family |
PC Server 704 | |
|
Machine Type |
8650 | |
|
Model |
| |
|
TypeModel |
| |
|
Retain Tip (if applicable) |
| |
|
Reverse Doclinks |