|
45.624 bytes |
Service Hints & Tips |
Document ID: GKEY-3H5CN5 |
PCServer704 - Power Supply to Power Distribution Board Interface
Applicable to: World-Wide
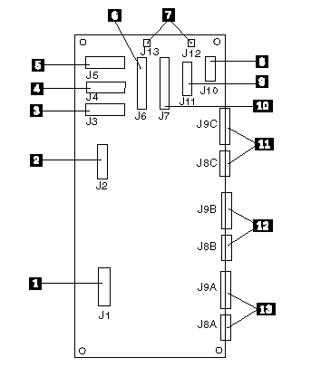
Power Supply to Power Distribution Board Interface
|
1. |
J1, power to lower SCSI hard drive backplane |
|
2. |
J2, power to upper SCSI hard drive backplane |
|
3. |
J3, +5.1 Vdc and +12 Vdc power to system peripherals |
|
4. |
J4, +5.1 Vdc and +12 Vdc power to system peripherals |
|
5. |
J5, +5.1 Vdc and +12 Vdc power to diskette drives |
|
6. |
J6, power to J9 on system board |
|
7. |
J12 and 13, fan connectors |
|
8. |
J10, I2 C connector |
|
9. |
J11, power control signal to J11 system on system board |
|
10. |
J7, power to J10 on system board |
|
11, 12, 13 |
J9A, J9B, J9C, DC power connections from supply |
|
Pin Position |
Description |
|
1,6 |
Ground |
|
7 |
+3.3 Vdc |
|
8 |
+12 Vdc |
|
9 |
-12 Vdc |
|
10 |
-5 Vdc |
|
11, 12 |
+5.1 Vdc |
|
13, 17 |
Ground |
|
18, 19 |
+3.3 Vdc |
|
20, 21 |
+12 Vdc |
|
22, 24 |
+5.1 Vdc |
11, 12, 13 J8A, J8B, J8C, Power control and status signals from supply
|
Pin Position |
Description |
|
1 |
+5 Vdc remote sense (+) |
|
2 |
+12 Vdc remote sense (+) |
|
3 |
+3.3 Vdc remote sense (+) |
|
4 |
Ground remote sense (-) |
|
5 |
+5 Vdc load share |
|
6 |
+12 Vdc load share |
|
7 |
+3.3 Vdc load share |
|
8 |
PON |
|
9 |
Vbias |
|
10 |
+5 V standby |
|
11 |
FAULT |
|
12 |
Ground |
|
13 |
Power good |
|
14, 15 |
NC |
Power Supplies and Pad Locks
|
Search Keywords |
| |
|
Hint Category |
Hardware Maintenance Information, Power | |
|
Date Created |
16-05-97 | |
|
Last Updated |
01-06-98 | |
|
Revision Date |
30-05-99 | |
|
Brand |
IBM PC Server | |
|
Product Family |
PC Server 704 | |
|
Machine Type |
8650 | |
|
Model |
Various | |
|
TypeModel |
| |
|
Retain Tip (if applicable) |
| |
|
Reverse Doclinks |