55.066 bytes

Service Hints & Tips

Document ID: JWOE-3LCQBK

Aptiva - 2137 System board and processor jumper settings

Applicable to: World-Wide

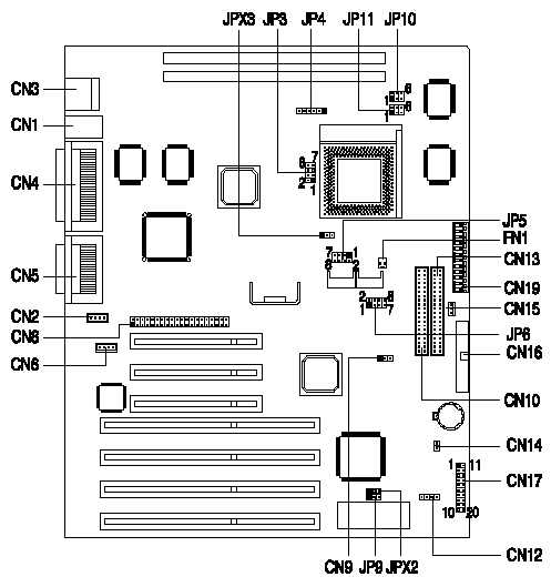
System Board Layout:

System Board Jumper Settings:

Jumper/Settings

Function

JPX2
1-2

2-3*

BIOS logo setting
Without IBM logo shown on screen during POST
With IBM logo shown on screen during
POST

System board FRU No.:
12J6890 or 12J6830

JPX31 , JP4
2-3, (1-2, 4-5)
2-3, (1-2, 5-6)
2-3, (2-3, 5-6)
2-3, (2-3, 4-5)


Core/bus frequency rate
P54C 6X86L P55C/6X86MX/K6
1.5 3.0 3.5
2.0 2.0 2.0
2.5 -- 2.5
3.0 -- 3.0

System board FRU No.:
02K2550 or 02K2551
2
JPX3, JP4
2-3, (1-2, 4-5)
2-3, (1-2, 5-6)
2-3, (2-3, 5-6)
2-3, (2-3, 4-5)
1-2, (1-2, 5-6)
1-2, (2-3, 5-6)

Core/bus frequency rate
P54C 6X86L P55C/6X86MX/K6
1.5 3.0 3.5
2.0 2.0 2.0
2.5 -- 2.5
3.0 -- 3.0
-- -- 4.0
-- -- 4.5

System board FRU No.:
12J6890 or 12J6830

JP3, JP5, JP6
Closed 4 , Open 3 , 3-5
Closed 4 , Open 3 , 2-4
Closed 4 , Open 3 , 4-6
Closed 4 , Open 3 , 7-8
Open 3 , Closed 3 , 1-3
Open 3 , Closed 3 , 3-5

Processor core voltage
2.1V (reserved)
2.8V
2.9V
3.2V
3.3V
3.52V

System board FRU No.:
02K2550 or 02K2551

JP3, JP5, JP6
Closed 4 , Open 3 , 3-5
Closed 4 , Open 3 , 2-4
Closed 4 , Open 3 , 4-6
Closed 4 , Open 3 , 7-8
Open 3, Closed 4 , 1-3
Open 3 , Closed 4 , 3-5

Processor core voltage
2.2V
2.8V
2.9V
3.2V
3.3V
3.52V

JP9
1-2*
2-3

Password security
Check password
Bypass password

JP10, JP11
(1-3, 2-4), (1-3, 2-4)
(3-5, 4-6), (1-3, 2-4)
(1-3, 2-4), (3-5, 4-6)
(3-5, 4-6), (3-5, 4-6)

Host / PCI bus frequency
60 /30 MHz
66 /33 MHz
75 /30 MHz
83 /33 MHz


* Default Settings.
1. JPX3 in 12J6890 and 12J6830 is an optional jumper, the system board may come without it.
2. 02K2551 comes with only 1MB video memory and without cache memory.
3. Disconnected, no jumper installed.
4. Connections pins 1-2, 3-4, 5-6, 7-8.

Processor Type Jumper Settings II:
Warning: You must check out the exact processor type before setting the processor type jumpers. The wrong processor type jumper setting may damage CPU, especially the single/dual voltage setting.

CPU

JP3

JPX31

JP4

JP5

JP6

JP10

JP11

Pentium

P-166

Open3

2-3

2-3, 5-6

Closed4

1-3

3-4, 5-6

1-3, 2-4

P-200

Open3

2-3

2-3, 4-5

Closed4

1-3

3-4, 5-6

1-3, 2-4

Pentium MMX

P-166

Closed4

2-3

2-3, 5-6

Open3

2-4

3-5, 4-6

1-3, 2-4

P-200

Closed4

2-3

2-3, 4-5

Open3

2-4

3-5, 4-6

1-3, 2-4

P-233

Closed4

2-3

1-2, 4-5

Open3

2-4

3-5, 4-6

1-3, 2-4

Cyrix/IBM 6x86L

PR166+

Closed4

2-3

1-2, 5-6

Open3

2-4

3-5, 4-6

1-3, 2-4

PR200+

Closed4

2-3

1-2, 5-6

Open3

2-4

1-3, 2-4

3-5, 4-6

Cyrix/IBM 6x86MX

PR166+

Closed4

2-3

1-2, 5-6

Open3

4-6

3-5, 4-6

1-3, 2-4

AMD K6

PR166

Closed4

2-3

2-3, 5-6

Open3

4-6

3-5, 4-6

1-3, 2-4

PR200

Closed4

2-3

2-3, 4-5

Open3

4-6

3-5, 4-6

1-3, 2-4

PR233

Closed4

2-3

1-2, 4-5

Open3

7-8

3-5, 4-6

1-3, 2-4

AMD K6
only for system board FRU No.: 02K2550/02K2551

PR266

Closed4

1-2

1-2, 5-6

Open3

3-5

3-5, 4-6

1-3, 2-4

PR300

Closed4

1-2

2-3, 5-6

Open3

3-5

3-5, 4-6

1-3, 2-4


1. JPX3 in 12J6890 and 12J6830 is an optional jumper, the system board may come without it.
2. 02K2551 comes with only 1MB video memory and without cache memory.
3. Disconnected, no jumper installed.
4. Connections pins 1-2, 3-4, 5-6, 7-8.

Search Keywords

Hint Category

Hardware Installation/Configuration, Processors, System Boards, Jumper/Switch Settings

Date Created

27-08-97

Last Updated

15-12-98

Revision Date

14-12-99

Brand

IBM Aptiva

Product Family

Aptiva

Machine Type

2137

Model

All

TypeModel

Retain Tip (if applicable)

Reverse Doclinks
and Admin Purposes