83.680 bytes

Service Hints & Tips

Document ID: DDSE-3QNJAS

PCServer704 - Backplane Information

Applicable to: World-Wide

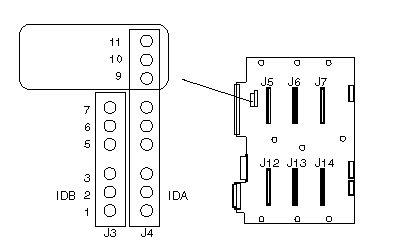
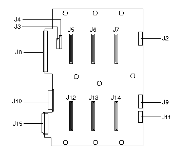
Backplane Connectors

J2 LED cable connector for drives 1, 2, 3
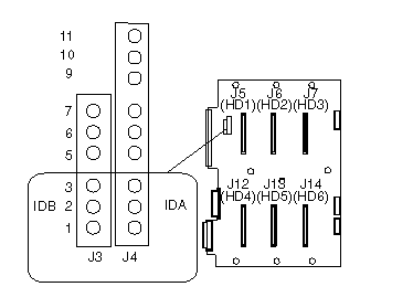
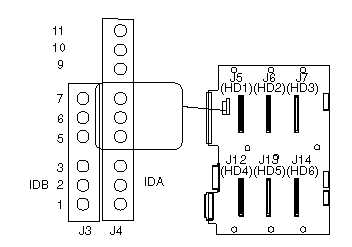
J3,J4 Drive ID and configuration jumper blocks
J5 Wide SCSI bay drive 1
J6 Wide SCSI bay drive 2
J7 Wide SCSI bay drive 3
J8 Narrow SCSI cable, output
J9 LED cable connector for drives 4, 5, 6
J10 Power and ground from power distribution board and power supply
J11 IC bus connector
J12 Wide SCSI drive bay 4
J13 Wide SCSI drive bay 5
J14 Wide SCSI drive bay 6
J15 Wide SCSI cable connector, input from channel A or B

Backplane Configuration Jumpers
SCSI Drive ID, J3 and J4

Jumper Pins SCSI ID of Drive

J3,IDA J4,IDB HD HD HD HD HD HD
1 2 3 4 5 6

1-2 1-2 0 1 10 3 4 13
1-21 2-3 0 1 2 3 4 5
2-3 2-3 8 9 2 11 12 5
2-32 1-2 8 9 10 11 12 13
Factory default setting for ARRAY models.


SCSI Flash Update Jumper, J4

Jumper Pins Description

10-11 Reserved
9-10 Normal
Factory default setting.


External Backplane Jumper

Jumper Pins Description

6-7 Reserved
5-61 Internal backplane
(backplane is installed in the server)
Factory default setting.


Secondary Jumper, J4

Note
When more than one backplane is installed in the server, the backplane in the upper position is jumpered as primary and the backplane in the lower position is jumpered as secondary.

Jumper Pins Description

6-7 Secondary
5-61 Primary
Factory default setting.



Search Keywords

Hint Category

Hard Drives, Hardware Maintenance Information

Date Created

14-06-96

Last Updated

22-01-99

Revision Date

11-06-99

Brand

IBM PC Server

Product Family

PC Server 704

Machine Type

8650

Model

all

TypeModel

Retain Tip (if applicable)

Reverse Doclinks
and Admin Purposes