115.848 bytes

Service Hints & Tips

Document ID: DDSE-3QNJBL

This document is provided to IBM and our Business Partners to help sell and/or service IBM products. It is not to be distributed beyond that audience or used for any other purpose.

PCServer704 - System Board Information

Applicable to: World-Wide

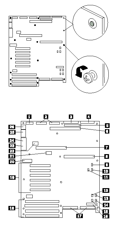
System Board

Connectors
1. Cable: Power control and status (PS3)
2. Cable:+ 5V,+ 12V, and+ 3.3V power connector (PS1 and PS2) (identical)
3. Cable: Diskette drive connector
4. Cable: Front panel connector
5. Not used
6. Memory board connector
7. Secondary processor board connector
8. Primary processor board connector
9. Fan 1 connector (not used)
10. Fan 2 connector (inner chassis fan)
11. Hard disk drive LED 1 connector
12. I C connector (not used)
13. Fan 3 connector (upper outer chassis fan)
14. Fan 4 connector (lower outer chassis fan)
15. Hard drive LED 2 connector (not used)
16. Connector for optional Server Management Module (not used)
17. SCSI bus connectors: Channel A to the right, Channel B to the left
18. EISA slots 1-4 for add-in boards (slot 1 toward top, 4 toward bottom)
19. PCI slots 1-6 for add-in boards (slot 1 toward top, 6 toward bottom: Bus 0 = slots 1 - 3; Bus 1= slots 4 - 6)
20. Configuration switches and jumpers
21. Real-time clock
22. Video DRAM expansion socket
23. VGA monitor connector
24. Parallel port connector
25. Serial port connectors A (COM1) and B (COM2)
26. PS/2-compatible keyboard and mouse connectors

Configuration Switches

Switch Position Function

S6A1-1 On Clear CMOS
Off Normal
operation

S6A1-2 On Clear password
Off Normal
operation

S6A1-3 Off Reserved

Factory default setting.


Notes
1. This is the factory default.
2. Do not change the settings for switches S6A1-4, S6A1-5, S6A1-6, or S6A1-8. These switch settings should remain as set at the factory.

Resetting NVRAM and the RTC (Switch S6A1-1)

Setting the CMOS switch to On clears the current values of NVRAM and the RTC when the server is reset.
This returns NVRAM and the RTC to the factory default.

When the CMOS switch is set to Off, the default, the current settings are preserved during system reset.

To reset the server's NVRAM and RTC settings to the factory default values, do the following steps:
1. Power-off the server and monitor.
2. Locate the configuration switches on the system board.
3. If necessary to access the configuration switches, remove the processor board.
4. Slide switch S6A1-1 to On.
5. If removed, replace the processor board.
6. Power-on the monitor and server; then, wait for POST to complete. This automatically reprograms the NVRAM and RTC to their factory settings.
7. Power-off the server and the monitor.
8. If necessary to access the configuration switches, remove the processor board.
9. Slide switch S6A1-1 to Off.
10. If removed, replace the bottom processor board.

Jumpers
BIOS Recovery Jumper (J6A1)

Jumpers Function

1-2 Normal BIOS boot block
2-3 Recovery BIOS boot block
Factory default setting.


Boot Block Write Protect Jumper (J6A1)

Jumpers Function

1-2 Boot block is write-protected

Factory default setting

BIOS Write Jumper J6A4

Jumpers Function

1-2 Disables BIOS update of flash memory
2-3 Enables BIOS update of flash memory with
special utility

Factory default setting.


Floppy 0 Jumper at J6A4
Floppy 1 Jumper at J6A2

Jumpers Function

1-2 For 1.44 MB diskette drive, disable automatic
sizedetection.

2-3 For 2.88 MB diskette drive, enable automatic
size detection.

Factory default setting.


Video Sleep Jumper, J6A2

Jumpers Function

1-2 Video Sleep register resides at 03C3H

2-3 Video Sleep register resides at 46E8H

Factory default setting


Power Control Jumper (J63A3)

Jumpers Functions

1-2 Disables RTC power supply control

2-3 Enables power supply control using
the RTC

Factory default setting



Search Keywords

Hint Category

Hardware Maintenance Information, Processors

Date Created

14-06-96

Last Updated

22-01-99

Revision Date

29-05-99

Brand

IBM PC Server

Product Family

PC Server 704

Machine Type

8650

Model

TypeModel

Retain Tip (if applicable)

Reverse Doclinks
and Admin Purposes