|
23.292 bytes |
Parts Information |
Document ID: DDSE-44RLCX |
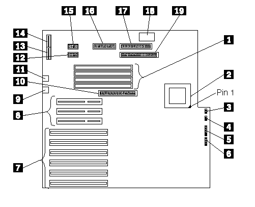
PC Server 300 - 486DX2 Locations Diagram
Applicable to: World-Wide
Locations (486DX2 System Board)
Locations (486DX2 System Board)
1 Memory connectors (U31, U32, U33, and U34)
2 Processor socket
3 ISA-IDE hard disk drive LED jumper (W46)
4 PCI-IDE hard disk drive LED jumper (W39)
5 Power LED pins 1-3 (W12)
6 Speaker connector (J5)
7 EISA slots (J12, J13, J14, 15, and J16)
8 PCI slots (J18, J19, and J20)
9 Mouse port (J2)
10 PCI-IDE hard disk drive connector (J21)
11 Keyboard port (J1)
12 Serial port, COM1 (J11)
13 Power supply connector, P2 (J7)
14 Power supply connector, P1 (J6)
15 Serial port, COM2 (J10)
16 Parallel port (J8)
17 Diskette drive connector (J9)
18 Real-time clock socket
19 IDE 2 hard disk drive connector (J22)
|
Search Keywords |
| |
|
Document Category |
Processors | |
|
Date Created |
03-02-99 | |
|
Last Updated |
03-02-99 | |
|
Revision Date |
03-02-2000 | |
|
Brand |
IBM PC Server | |
|
Product Family |
PC Server 300 | |
|
Machine Type |
8640 | |
|
Model |
| |
|
TypeModel |
| |
|
Retain Tip (if applicable) |
| |
|
Reverse Doclinks |