|
74.892 bytes |
Service Hints & Tips |
Document ID: DETR-3TARXD |
Aptiva - 2144/2168 CD-ROM drive and sound card jumper settings
Applicable to: World-Wide
CD-ROM Drive and Sound Card Jumper Settings:
In multimedia systems, the CD-ROM drive is connected to the system board secondary drive connector at the factory. CD-ROM drive jumpers are set as the master drive, as shown in Figure 1-16. If an additional hard disk drive is connected to the secondary connector, it must be set as the master drive (see 1 in figure 1-12) and the CD-ROM drive jumpers reset as the slave drive as shown in Figure 1-16.
Check the Setup Utility for correct installation.
Figure 1-16. CD-ROM Drive Jumper Settings
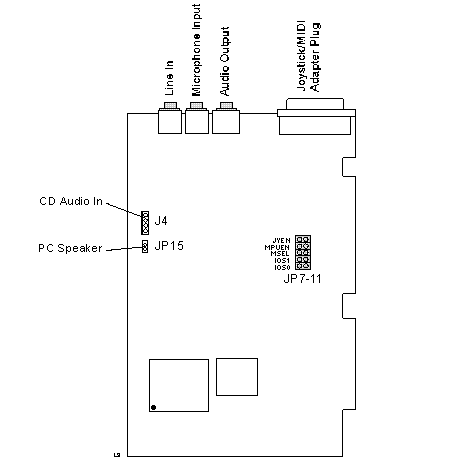
Service Level I multimedia systems (MM3 or MM4 in the -- 'Model/Monitor Configurations and FRU Part Numbers' -) contain one of the sound adapter cards illustrated here.
The Level 3 sound adapter card jumper settings should be set as shown below..
Figure 1-17. CD-ROM Level 3 Sound Card Jumper Settings
Note:
Some open pins may have an extra jumper parked on one pin.
Make sure the jumpers match the above settings while performing Advanced Diagnostics tests.
The Level 4 sound adapter card, as shown below, has no jumpers to set.
Figure 1-18. CD-ROM Level 4 Sound Card
The Mwave card, as shown below, has no jumpers to set.
Figure 1-19. Mwave Card (Combination Modem/Sound)
|
Search Keywords |
| |
|
Hint Category |
Hardware Installation/Configuration, Mwave, CD-ROM Drives, Audio, Adapter Cards, Jumper/Switch Settings | |
|
Date Created |
07-10-96 | |
|
Last Updated |
10-02-99 | |
|
Revision Date |
10-02-2000 | |
|
Brand |
IBM Aptiva | |
|
Product Family |
Aptiva | |
|
Machine Type |
2144, 2168 | |
|
Model |
| |
|
TypeModel |
| |
|
Retain Tip (if applicable) |
| |
|
Reverse Doclinks |