|
180.250 bytes |
Service Hints & Tips |
Document ID: DETR-3ZXMBW |
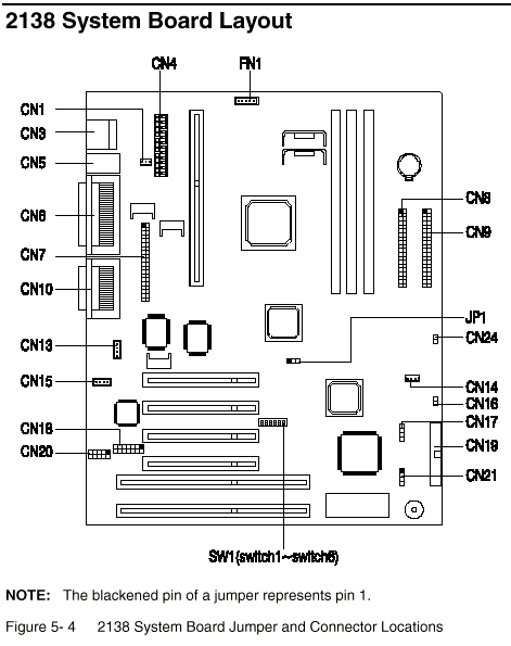
Aptiva - 2138 System Board layout, jumpers, and connectors
Applicable to: World-Wide

|
Search Keywords |
| |
|
Hint Category |
System Boards, Jumper/Switch Settings, Processors, Hardware Installation/Configuration | |
|
Date Created |
05-11-98 | |
|
Last Updated |
14-12-98 | |
|
Revision Date |
14-12-99 | |
|
Brand |
IBM Aptiva | |
|
Product Family |
Aptiva | |
|
Machine Type |
2138 | |
|
Model |
all | |
|
TypeModel |
| |
|
Retain Tip (if applicable) |
| |
|
Reverse Doclinks |