|
43.320 bytes |
Parts Information |
Document ID: MNOK-3ZWS9B |
Aptiva - 2134 System unit (Interior) service parts
Applicable to: World-Wide
|
Asm-Index |
Part Number |
Units |
Description |
|
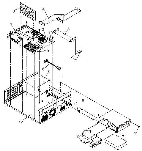
2-1 |
System Board | ||
|
Note: See the Appendix B, "Model/Monitor Configurations and FRU Part Numbers" in topic B.0 for model specifications. All system board FRUs are shipped without processor, cache memory modules, video DRAM modules, or SIMMs. When replacing a system board, remove all FRUs from the original system board and install them on the new system board. | |||
|
-1 |
12H2015 |
1 |
System Board - Type A-1 |
|
-1 |
12H2001 |
1 |
System Board - Type A-2 |
|
-NS |
07H0973 |
1 |
Voltage Regulator (Type A-2 Only) |
|
-2 |
06H6063 |
1 |
P54C-100 MHz Processor |
|
-2 |
75H8963 |
1 |
P54C-120 MHz Processor |
|
-2 |
06H8228 |
1 |
P54C-133 MHz Processor |
|
-2 |
06H9892 |
1 |
P54C-150 MHz Processor |
|
-2 |
07H0971 |
1 |
P54C-166 MHz Processor |
|
-2 |
75H9575 |
1 |
P54C-200 MHz Processor |
|
-NS |
13H8071 |
1 |
Processor Fan |
|
-3 |
06H7225 |
1 |
Riser Card (ISA/PCI) |
|
-4 |
75H8905 |
1 |
Diskette Drive Cable |
|
-5 |
60G2254 |
1 |
CD-ROM/Hard Disk Drive Cable |
|
-6 |
13H8078 |
1 |
Dual LED Indicator Cable |
|
-NS |
76H1777 |
1 |
Hard Disk Drive Ribbon Cable |
|
-7 |
06H3862 |
1 |
Power Supply (3.3V dc)(145-W LV/HV Switch-selectable) |
|
-8 |
60G2258 |
1 |
Power Switch and Cable |
|
-9 |
92G7319 |
1 |
SIMM EDO, 4 MB, 72-Pin Non-Parity |
|
-9 |
92G7321 |
1 |
SIMM EDO, 8 MB, 72-Pin Non-Parity |
|
-9 |
92G7323 |
1 |
SIMM EDO, 16 MB, 72-Pin Non-Parity |
|
-NS |
07H1150 |
1 |
L2 Cache 256 KB (1 module) |
|
-NS |
93F0063 |
1 |
Lithium Battery (CR2032) |
|
-NS |
33F8354 |
1 |
Lithium Battery (EMEA) |
|
-10 |
93F0067 |
1 |
Jumper, 2 position (Packet of 4) |
|
-11 |
93F0041 |
1 |
Packet (Mounting Screws) |
|
-NS |
06H5743 |
1 |
Bracket, Hard Disk/CD-ROM (Machine Type 2134 Only) |
|
-12 |
NP |
1 |
Machine Type 2134 Chassis |
|
Search Keywords |
| |
|
Document Category |
Service Parts | |
|
Date Created |
04-11-98 | |
|
Last Updated |
07-04-99 | |
|
Revision Date |
07-04-2000 | |
|
Brand |
IBM Aptiva | |
|
Product Family |
Aptiva | |
|
Machine Type |
2134 | |
|
Model |
All | |
|
TypeModel |
| |
|
Retain Tip (if applicable) |
| |
|
Reverse Doclinks |