32.313 bytes

Product Information

Document ID: MCGN-437NUA

Netfinity 5500 M10 - Processor Board component locations and Processor Board jumpers

Applicable to: World-Wide

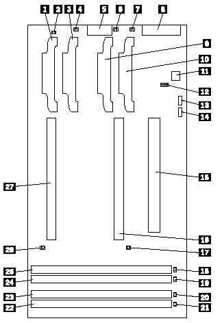
Processor Board Component Locations

A layout of the processor board is shown in the following illustration.

1 Secondary microprocessor cache VRM connector (U15)
2 Secondary microprocessor cache VRM error LED (CR36)
3 Secondary microprocessor core VRM connector (U7)
4 Secondary microprocessor core VRM error LED (CR37)
5 Power control connector (J17)
6 Primary microprocessor cache VRM error LED (CR19)
7 Primary microprocessor core VRM error LED (CR17)
8 Power supply connector (J10)
9 Primary microprocessor cache VRM connector (U17)
10 Primary microprocessor core VRM connector (U22)
11 Microprocessor core-frequency-selection switch block (SW1)
12 Reserved (J22)
13 Reserved (J20)
14 Reserved (J18)
15 System board connector (J9) (on reverse side of processor board)
16 Primary microprocessor connector (U5)
17 Primary microprocessor error LED (CR12)
18 DIMM 1 error LED (CR8)
19 DIMM 2 error LED (CR9)
20 DIMM 3 error LED (CR10)
21 DIMM 4 error LED (CR11)
22 DIMM socket 4 (J1)
23 DIMM socket 3 (J2)
24 DIMM socket 2 (J3)
25 DIMM socket 1 (J4)
26 Secondary microprocessor error LED (CR13)
27 Secondary microprocessor connector (U6)

Processor Board Jumpers
Table 8 contains the names and descriptions of the jumper blocks located on the processor board. Table 9 gives the microprocessor core-frequency-selection switch settings. The highlighted numbers in the table refer to the highlighted numbers in the illustration in "Processor Board Component Locations".

Notes
1. Turn off the server, and disconnect the power cords before moving any jumpers.
2. Be sure the microprocessor bus-to-core ratio is set correctly. For example, if you have a
400 MHz (See footnote 2 below) microprocessor installed and the system bus speed is 100 MHz (the default),
be sure that the microprocessor core frequency selection switch block is set to a bus-to-core ratio of 4 (400/100).
See Table 9.


Attention
If the microprocessor bus-to-core ratio is incorrect, system-board components will overheat and component damage
might occur. Be sure that the microprocessor core-frequency selection is properly set.


Table 8. Processor Board Jumpers

Jumper Name

Description

12 J22 Reserved

The default position is no jumper on J22.


Table 9. Microprocessor Core Frequency Selection Switch (SW1) Settings

Core/Bus Ratio

Position 1

Position 2

Position 3

Position 4

4

On

On

On

Off

4.5

On

Off

On

Off

5

On

On

Off

Off


Note: All other setting combinations are reserved.

(2) 400 MHz denotes internal clock speed of the microprocessor only; other factors also affect application performance.

Search Keywords

Document Category

Diagrams

Date Created

15-12-98

Last Updated

15-12-98

Revision Date

15-12-99

Brand

IBM PC Server

Product Family

Netfinity 5500 M10

Machine Type

8661

Model

TypeModel

Retain Tip (if applicable)

Reverse Doclinks
and Admin Purposes