79.625 bytes

Service Hints & Tips

Document ID: DDSE-3QNJES

PCServer704 - Processor Board Information

Applicable to: World-Wide

Processor Boards
1st Processor Board

Note
The 1st processor board (primary connectors) must be installed with the component-side down.

2nd Processor Board

Note
The 2nd processor board (secondary connectors) must be installed with the component-side up.

Jumpers

1. J102, (reserved)
2. Processor Lever
3. Processor socket
4. Processor chip
5. J107, (reserved)
6. Pin-1 on processor chip
7. Processor identification
8. Pin-1 on processor socket
9. J106, (reserved)
10. J101, (reserved)

SCAN Jumpers (J101 and J106)

Jumper Pins Description

J101 and J106, 1-2 Processor not installed in adjacent
slot

SCAN 2-3 processor installed in adjacent slot

Factory default setting


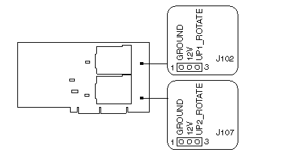
Fan Sink Jumpers (J102 and J107)

Jumper Pins Description

J102 and J107, 1-2 Provides power to fan sink
Fan Sinks 2-3 Fan sink not in use

Factory default setting


VID Jumper (J103)

Jumper Pins Description

J103,Voltage 1-2 Reserved
Identification 2-3
(VID)

Factory default setting


Frequency Select Jumper (J105)

Frequency Pins Pins Pins
1-2 3-4 5-6

150/60MHz No No No
Jumper Jumper Jumper

180/60MHz No No Jumper
Jumper Jumper

210/60MHz No Jumper No
Jumper Jumper

240/60MHz No Jumper Jumper

166/66MHz1 Jumper No No
Jumper Jumper

200/66MHz Jumper No Jumper
Jumper

233/66MHz Jumper Jumper No
Jumper

266/66MHz Jumper Jumper Jumper

Factory default setting.



Search Keywords

Hint Category

Hardware Maintenance Information, Processors

Date Created

14-06-96

Last Updated

22-01-99

Revision Date

30-05-99

Brand

IBM PC Server

Product Family

PC Server 704

Machine Type

8650

Model

TypeModel

Retain Tip (if applicable)

Reverse Doclinks
and Admin Purposes